日标法兰
日标法兰是工业管道上的连接件,标准是JIS、JPI系列,用于管端之间相互连接的必备附件,日标法兰盘又叫法兰凸缘盘或突缘。日标法兰盘由法兰、垫片及螺栓三者相互连接作为一组组合密封结构的可拆连接。
|
产品名称: |
日标法兰 |
产品型号: |
JIS、JPI |
|
公称通径: |
DN15~DN600 |
结构形式: |
圆形 |
|
公称压力: |
10K~20K~30K |
连接方式: |
法兰 |
|
适用温度: |
-196~+100℃~+650℃ |
制作方式: |
铸造、锻造 |
|
阀体材质: |
铸钢、碳钢、锻钢、不锈钢 |
制造标准: |
日标JIS、JPI |
|
适用介质: |
水、蒸汽、燃气、气体及腐蚀性液体等 |
生产厂家: |
华体会官方版网站登录入口,华体会(中国) |
产品说明
日标法兰是工业管道上的连接件,标准是JIS、JPI系列,用于管端之间相互连接的必备附件,日标法兰盘又叫法兰凸缘盘或突缘。日标法兰盘由法兰、垫片及螺栓三者相互连接作为一组组合密封结构的可拆连接。
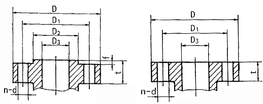
结构图
Jis 10K RF mm 整体钢制管法兰 JIS B2212-B2214-1999
|
Jis10K RF |
DN |
D |
K |
L |
螺栓n-Th |
d |
f |
C |
|
100 |
210 |
175 |
19 |
8-M16 |
155 |
2 |
18 |
|
125 |
250 |
210 |
23 |
8-M20 |
185 |
2 |
20 |
|
150 |
280 |
240 |
23 |
8-M20 |
215 |
2 |
22 |
|
200 |
330 |
290 |
23 |
12-M20 |
265 |
2 |
22 |
|
250 |
400 |
355 |
25 |
12-M22 |
325 |
2 |
24 |
|
300 |
445 |
400 |
25 |
16-M22 |
370 |
3 |
24 |
|
350 |
490 |
445 |
25 |
16-M22 |
415 |
3 |
26 |
|
400 |
560 |
510 |
27 |
16-M24 |
475 |
3 |
28 |
|
450 |
620 |
565 |
27 |
20-M24 |
530 |
3 |
30 |
|
500 |
675 |
620 |
27 |
20-M24 |
585 |
3 |
30 |
Jis 20K RF mm 整体钢制管法兰 JIS B2212-B2214-1999
|
Jis20K RF |
DN |
D |
K |
L |
螺栓n-Th |
d |
f |
C |
|
100 |
255 |
185 |
23 |
8-M20 |
160 |
2 |
24 |
|
125 |
270 |
225 |
25 |
8-M22 |
195 |
2 |
26 |
|
150 |
305 |
260 |
25 |
12-M22 |
230 |
2 |
28 |
|
200 |
350 |
305 |
25 |
12-M22 |
275 |
2 |
30 |
|
250 |
430 |
380 |
27 |
12-M24 |
345 |
2 |
34 |
|
300 |
480 |
430 |
27 |
16-M24 |
395 |
3 |
35 |
|
350 |
540 |
480 |
33 |
16-M30×3 |
440 |
3 |
40 |
|
400 |
605 |
540 |
33 |
16-M30×3 |
495 |
3 |
46 |
|
450 |
675 |
605 |
33 |
20-M30×3 |
560 |
3 |
48 |
|
500 |
730 |
660 |
33 |
20-M30×3 |
615 |
3 |
50 |
JIS 10K、16K、20K、30K、40K、63K、RF、FF 法兰尺寸表
JIS 10K、RF、FF mm
|
公称通径 |
外径 |
螺栓孔中心圆直径 |
连接凸出部分直径 |
内径 |
法兰厚度 |
连接部分凸出高度 |
螺栓孔数量与直径 |
螺栓直径 |
|
DN |
D |
D1 |
D2 |
D3 |
t* |
f |
n-d |
M |
|
20 |
100 |
75 |
58 |
19 |
14 18 |
1 |
4-15 |
12 |
|
25 |
125 |
90 |
70 |
25 |
14 18 |
1 |
4-19 |
16 |
|
40 |
140 |
105 |
85 |
38 |
16 20 |
2 |
4-19 |
16 |
|
50 |
155 |
120 |
100 |
51 |
16 20 |
2 |
4-19 |
16 |
|
65 |
175 |
140 |
120 |
61 |
18 22 |
2 |
4-19 |
16 |
|
80 |
185 |
150 |
130 |
76 |
18 22 |
2 |
8-19 |
16 |
|
100 |
210 |
175 |
155 |
102 |
18 24 |
2 |
8-19 |
16 |
|
125 |
250 |
210 |
185 |
125 |
20 24 |
2 |
8-23 |
20 |
|
150 |
280 |
240 |
215 |
152 |
22 26 |
2 |
8-23 |
20 |
|
200 |
330 |
290 |
265 |
204 |
22 26 |
2 |
8-23 |
20 |
|
250 |
400 |
355 |
325 |
254 |
24 30 |
2 |
12-25 |
22 |
|
300 |
415 |
400 |
375 |
305 |
24 32 |
3 |
16-25 |
22 |
JIS 16K、RF、FF mm
|
公称通径 |
外径 |
螺栓孔中心圆直径 |
连接凸出部分直径 |
内径 |
法兰厚度 |
连接部分凸出高度 |
螺栓孔数量与直径 |
螺栓直径 |
|
DN |
D |
D1 |
D2 |
D3 |
t* |
f |
n-d |
M |
|
20 |
100 |
75 |
58 |
19 |
14 18 |
1 |
4-15 |
12 |
|
25 |
125 |
60 |
70 |
25 |
14 18 |
1 |
4-19 |
16 |
|
40 |
140 |
105 |
85 |
38 |
16 20 |
2 |
4-19 |
16 |
|
50 |
155 |
120 |
100 |
51 |
16 20 |
2 |
8-19 |
16 |
|
65 |
175 |
140 |
120 |
64 |
18 22 |
2 |
8-19 |
16 |
|
80 |
200 |
160 |
135 |
76 |
20 24 |
2 |
8-23 |
20 |
|
100 |
225 |
185 |
160 |
102 |
22 26 |
2 |
8-23 |
20 |
|
125 |
270 |
225 |
195 |
125 |
22 26 |
2 |
12-25 |
22 |
|
150 |
305 |
260 |
230 |
152 |
24 28 |
2 |
12-25 |
22 |
|
200 |
350 |
305 |
275 |
204 |
26 30 |
2 |
12-25 |
22 |
|
250 |
430 |
380 |
345 |
254 |
28 34 |
2 |
12-27 |
24 |
|
300 |
480 |
430 |
395 |
305 |
30 36 |
3 |
16-27 |
24 |
JIS 20K、RF、FF mm
|
公称通径 |
外径 |
螺栓孔中心圆直径 |
连接凸出部分直径 |
内径 |
法兰厚度 |
连接部分凸出高度 |
螺栓孔数量与直径 |
螺栓直径 |
|
DN |
D |
D1 |
D2 |
D3 |
t* |
f |
n-d |
M |
|
20 |
100 |
75 |
58 |
19 |
16 18 |
1 |
4-15 |
12 |
|
25 |
125 |
90 |
70 |
25 |
16 20 |
1 |
4-19 |
16 |
|
40 |
140 |
105 |
85 |
38 |
18 22 |
2 |
4-19 |
16 |
|
50 |
155 |
120 |
100 |
51 |
18 22 |
2 |
8-19 |
16 |
|
65 |
175 |
140 |
120 |
64 |
20 24 |
2 |
8-19 |
16 |
|
80 |
200 |
160 |
135 |
76 |
22 26 |
2 |
8-23 |
20 |
|
100 |
225 |
185 |
160 |
102 |
24 28 |
2 |
8-23 |
20 |
|
125 |
270 |
225 |
195 |
125 |
26 30 |
2 |
12-25 |
22 |
|
150 |
305 |
260 |
230 |
152 |
28 32 |
2 |
12-25 |
22 |
|
200 |
350 |
305 |
275 |
204 |
30 34 |
2 |
12-25 |
22 |
|
250 |
430 |
380 |
345 |
254 |
34 38 |
2 |
12-27 |
24 |
|
300 |
480 |
430 |
395 |
305 |
36 40 |
3 |
16-27 |
24 |
*t值中较小值为钢及可锻铸铁法兰;较大值为铸铁法兰。
JIS 30K、RF、FF mm
|
公称通径 |
外径 |
螺栓孔中心圆直径 |
连接凸出部分直径 |
内径 |
法兰厚度 |
连接部分凸出高度 |
螺栓孔数量与直径 |
螺栓直径 |
|
DN |
D |
D1 |
D2 |
D3 |
t* |
f |
n-d |
M |
|
20 |
120 |
85 |
60 |
19 |
18 |
1 |
4-19 |
16 |
|
25 |
130 |
95 |
70 |
25 |
20 |
1 |
4-19 |
16 |
|
40 |
160 |
120 |
90 |
38 |
22 |
2 |
4-23 |
20 |
|
50 |
165 |
130 |
105 |
51 |
22 |
2 |
8-19 |
16 |
|
65 |
200 |
160 |
130 |
64 |
26 |
2 |
8-23 |
20 |
|
80 |
210 |
170 |
140 |
76 |
28 |
2 |
8-23 |
20 |
|
100 |
240 |
195 |
160 |
102 |
32 |
2 |
8-25 |
22 |
|
125 |
275 |
230 |
195 |
125 |
36 |
2 |
8-25 |
22 |
|
150 |
325 |
275 |
235 |
152 |
38 |
2 |
12-27 |
24 |
|
200 |
370 |
320 |
280 |
204 |
42 |
2 |
12-27 |
24 |
|
250 |
450 |
390 |
345 |
254 |
48 |
2 |
12-33 |
30 |
|
300 |
515 |
450 |
405 |
305 |
52 |
3 |
16-39 |
30 |
JIS 40K、RF、FF
|
公称通径 |
外径 |
螺栓孔中心圆直径 |
连接凸出部分直径 |
内径 |
法兰厚度 |
连接部分凸出高度 |
螺栓孔数量与直径 |
螺栓直径 |
|
DN |
D |
D1 |
D2 |
D3 |
t* |
f |
n-d |
M |
|
20 |
120 |
85 |
60 |
19 |
20 |
1 |
4-19 |
16 |
|
25 |
130 |
95 |
70 |
25 |
22 |
1 |
4-19 |
16 |
|
40 |
160 |
120 |
90 |
38 |
24 |
2 |
4-23 |
20 |
|
50 |
165 |
130 |
105 |
51 |
26 |
2 |
8-19 |
16 |
|
65 |
200 |
160 |
130 |
64 |
30 |
2 |
8-23 |
20 |
|
80 |
210 |
170 |
140 |
76 |
32 |
2 |
8-23 |
20 |
|
100 |
250 |
205 |
165 |
102 |
36 |
2 |
8-25 |
22 |
|
125 |
300 |
250 |
200 |
125 |
40 |
2 |
8-27 |
24 |
|
150 |
355 |
295 |
240 |
152 |
44 |
2 |
12-33 |
30 |
|
200 |
405 |
345 |
290 |
200 |
50 |
2 |
12-33 |
30 |
|
250 |
475 |
440 |
355 |
247.5 |
56 |
2 |
12-33 |
30 |
|
300 |
540 |
470 |
440 |
298.5 |
60 |
3 |
16-39 |
36 |
JIS 63K、RF、FF mm
|
公称通径 |
外径 |
螺栓孔中心圆直径 |
连接凸出部分直径 |
内径 |
法兰厚度 |
连接部分凸出高度 |
螺栓孔数量与直径 |
螺栓直径 |
|
DN |
D |
D1 |
D2 |
D3 |
t |
f |
n-d |
M |
|
25 |
140 |
100 |
70 |
22 |
27 |
1 |
40-23 |
20 |
|
40 |
175 |
130 |
90 |
35 |
32 |
2 |
4-25 |
22 |
|
50 |
185 |
145 |
105 |
48 |
34 |
2 |
8-23 |
20 |
|
65 |
220 |
175 |
130 |
57 |
38 |
2 |
8-25 |
22 |
|
80 |
230 |
185 |
140 |
73 |
40 |
2 |
8-25 |
22 |
|
100 |
270 |
220 |
165 |
99 |
44 |
2 |
8-27 |
24 |
|
125 |
325 |
265 |
200 |
121 |
50 |
2 |
8-33 |
30 |
|
150 |
365 |
305 |
240 |
146 |
52 |
2 |
12-33 |
30 |
|
200 |
425 |
360 |
290 |
190 |
58 |
2 |
12-33 |
30 |
|
250 |
500 |
430 |
355 |
238 |
68 |
2 |
12-39 |
36 |
|
300 |
560 |
485 |
410 |
283 |
77 |
3 |
16-39 |
36 |
JPI 150、300、600RF、RJ法兰尺寸表
JPI 150RF mm
|
公称通径 |
外径 |
螺栓孔中心圆直径 |
连接凸出部分直径 |
内径 |
法兰厚度 |
连接部分凸出高度 |
螺栓孔数量与直径 |
螺栓直径 |
|
DN |
D |
D1 |
D2 |
D3 |
t |
f |
n-d |
M |
|
20 |
98 |
70.0 |
43 |
19 |
12.7 |
1.6 |
4-15 |
12 |
|
25 |
108 |
79.5 |
51 |
25 |
14.3 |
1.6 |
4-15 |
12 |
|
40 |
127 |
98.5 |
73 |
38 |
17.5 |
1.6 |
4-15 |
12 |
|
50 |
152 |
120.5 |
92 |
51 |
19.1 |
1.6 |
4-19 |
16 |
|
65 |
178 |
139.5 |
105 |
64 |
22.3 |
1.6 |
4-19 |
16 |
|
80 |
190 |
152.5 |
127 |
76 |
23.9 |
1.6 |
4-19 |
16 |
|
100 |
229 |
190.5 |
157 |
102 |
23.9 |
1.6 |
8-19 |
16 |
|
125 |
254 |
216.0 |
186 |
125 |
23.9 |
1.6 |
8-22 |
20 |
|
150 |
279 |
241.5 |
216 |
152 |
25.4 |
1.6 |
8-22 |
20 |
|
200 |
343 |
298.5 |
270 |
204 |
28.6 |
1.6 |
8-22 |
20 |
|
250 |
406 |
362.0 |
324 |
254 |
30.2 |
1.6 |
12-25 |
22 |
|
300 |
483 |
432.0 |
381 |
305 |
31.8 |
1.6 |
12-25 |
22 |
JPI 300RF mm
|
公称通径 |
外径 |
螺栓孔中心圆直径 |
连接凸出部分直径 |
内径 |
法兰厚度 |
连接部分凸出高度 |
螺栓孔数量与直径 |
螺栓直径 |
|
DN |
D |
D1 |
D2 |
D3 |
t |
f |
n-d |
M |
|
20 |
117 |
82.5 |
43 |
19 |
15.9 |
1.6 |
4-19 |
16 |
|
25 |
124 |
89.0 |
51 |
25 |
17.5 |
1.6 |
4-19 |
16 |
|
40 |
156 |
114.5 |
73 |
38 |
20.7 |
1.6 |
4-22 |
20 |
|
50 |
165 |
127.0 |
92 |
51 |
22.3 |
1.6 |
8-19 |
16 |
|
65 |
190 |
149.0 |
105 |
64 |
25.4 |
1.6 |
8-22 |
20 |
|
80 |
210 |
168.0 |
127 |
76 |
28.6 |
1.6 |
8-22 |
20 |
|
100 |
254 |
200.0 |
157 |
102 |
31.8 |
1.6 |
8-22 |
20 |
|
125 |
279 |
235.0 |
186 |
125 |
35.0 |
1.6 |
8-22 |
20 |
|
150 |
318 |
270.0 |
216 |
152 |
36.6 |
1.6 |
12-22 |
20 |
|
200 |
381 |
330.0 |
270 |
204 |
41.3 |
1.6 |
12-25 |
22 |
|
250 |
444 |
387.5 |
324 |
254 |
47.7 |
1.6 |
16-29 |
27 |
|
300 |
521 |
451.0 |
381 |
305 |
50.8 |
1.6 |
16-32 |
30 |
JPI 600RF mm
|
公称通径 |
外径 |
螺栓孔中心圆直径 |
连接凸出部分直径 |
内径 |
法兰厚度 |
连接部分凸出高度 |
螺栓孔数量与直径 |
螺栓直径 |
|
DN |
D |
D1 |
D2 |
D3 |
t |
f |
n-d |
M |
|
20 |
117 |
82.5 |
43 |
19 |
22.3 |
1.6 |
4-19 |
16 |
|
25 |
124 |
89.0 |
51 |
25 |
23.9 |
1.6 |
4-19 |
16 |
|
40 |
156 |
114.5 |
73 |
38 |
28.7 |
1.6 |
4-22 |
20 |
|
50 |
165 |
127 |
92 |
51 |
31.8 |
1.6 |
8-19 |
16 |
|
65 |
190 |
149 |
105 |
64 |
35 |
1.6 |
8-22 |
20 |
|
80 |
210 |
168 |
127 |
76 |
38.2 |
1.6 |
8-22 |
20 |
|
100 |
273 |
216 |
157 |
102 |
44.5 |
1.6 |
8-25 |
22 |
|
125 |
330 |
266.5 |
186 |
125 |
50.9 |
1.6 |
8-29 |
27 |
|
150 |
356 |
292.0 |
216 |
152 |
54.1 |
1.6 |
12-29 |
27 |
|
200 |
419 |
349 |
270 |
200 |
62 |
1.6 |
12-32 |
30 |
|
250 |
508 |
432 |
324 |
247.5 |
69.9 |
1.6 |
16-35 |
33 |
|
300 |
559 |
489 |
381 |
298.5 |
73.1 |
1.6 |
16-35 |
33 |
JPI 150RJ mm
|
公称通径 |
外径 |
螺栓孔中心圆直径 |
连接凸出部分直径 |
内径 |
梯形槽中心圆直径 |
梯形槽深度 |
梯形槽宽度 |
法兰厚度 |
连接部分凸出高度 |
螺栓孔数量与直径 |
螺栓直径 |
|
DN |
D |
D1 |
D2 |
D3 |
L |
F |
E |
t |
f |
n-d |
M |
|
25 |
108 |
79.5 |
63.5 |
25 |
47.625 |
8.731 |
6.4 |
20.7 |
6.4 |
4-15 |
12 |
|
40 |
127 |
98.5 |
82.6 |
38 |
65.088 |
8.831 |
6.4 |
23.9 |
6.4 |
4-15 |
12 |
|
50 |
152 |
120.5 |
101.6 |
51 |
82.550 |
8.731 |
6.4 |
25.5 |
6.4 |
4-15 |
16 |
|
65 |
178 |
139.5 |
120.6 |
64 |
101.600 |
8.731 |
6.4 |
28.7 |
6.4 |
4-19 |
16 |
|
80 |
190 |
152.5 |
133.1 |
76 |
114.300 |
8.731 |
6.4 |
30.3 |
6.4 |
4-19 |
16 |
|
100 |
229 |
190.5 |
171.1 |
102 |
149.225 |
8.731 |
6.4 |
30.3 |
6.4 |
8-19 |
16 |
|
125 |
254 |
216.0 |
193.7 |
125 |
171.150 |
8.731 |
6.4 |
30.3 |
6.4 |
8-22 |
20 |
|
150 |
279 |
241.5 |
219.1 |
152 |
193.675 |
8.731 |
6.4 |
31.8 |
6.4 |
8-22 |
20 |
|
200 |
343 |
298.5 |
273.0 |
204 |
247.650 |
8.731 |
6.4 |
35 |
6.4 |
8-22 |
20 |
|
250 |
406 |
362.0 |
330.2 |
254 |
304.200 |
8.731 |
6.4 |
36.6 |
6.4 |
12-25 |
22 |
|
300 |
483 |
432.0 |
406.1 |
305 |
381.000 |
8.731 |
6.4 |
38.2 |
6.4 |
12-25 |
22 |
JPI 300RJ mm
|
公称通径 |
外径 |
螺栓孔中心圆直径 |
连接凸出部分直径 |
内径 |
梯形槽中心圆直径 |
梯形槽深度 |
梯形槽宽度 |
法兰厚度 |
连接部分凸出高度 |
螺栓孔数量与直径 |
螺栓直径 |
|
DN |
D |
D1 |
D2 |
D3 |
L |
F |
E |
t |
f |
n-d |
M |
|
20 |
117 |
82.5 |
63.5 |
19 |
42.862 |
8.731 |
6.4 |
22.3 |
6.4 |
4-19 |
16 |
|
25 |
124 |
89.0 |
69.8 |
25 |
50.800 |
8.731 |
6.4 |
23.9 |
6.4 |
4-19 |
16 |
|
40 |
156 |
114.5 |
90.5 |
38 |
68.262 |
11.906 |
6.4 |
27.1 |
6.4 |
4-22 |
20 |
|
50 |
165 |
127.0 |
108.0 |
51 |
82.550 |
11.906 |
8.0 |
28.7 |
8.0 |
8-19 |
16 |
|
65 |
190 |
149.0 |
127.0 |
64 |
101.600 |
11.906 |
8.0 |
31.8 |
8.0 |
8-22 |
20 |
|
80 |
210 |
168.0 |
146.0 |
76 |
123.825 |
11.906 |
8.0 |
35 |
8.0 |
8-22 |
20 |
|
100 |
254 |
200.0 |
174.6 |
102 |
149.225 |
11.906 |
8.0 |
38.2 |
8.0 |
8-22 |
20 |
|
125 |
279 |
235.0 |
209.6 |
125 |
180.975 |
11.906 |
8.0 |
41.4 |
8.0 |
8-22 |
20 |
|
150 |
318 |
270.0 |
241.3 |
152 |
211.138 |
11.906 |
8.0 |
43 |
8.0 |
12-22 |
20 |
|
200 |
381 |
330.0 |
301.6 |
204 |
269.875 |
11.906 |
8.0 |
47.7 |
8.0 |
12-25 |
22 |
|
250 |
444 |
387.0 |
355.6 |
254 |
323.850 |
11.906 |
8.0 |
54.1 |
8.0 |
16-29 |
27 |
|
300 |
521 |
451.0 |
412.8 |
305 |
381.000 |
11.906 |
8.0 |
57.2 |
8.0 |
16-32 |
30 |
JPI 600RJ mm
|
公称通径 |
外径 |
螺栓孔中心圆直径 |
连接凸出部分直径 |
内径 |
梯形槽中心圆直径 |
梯形槽深度 |
梯形槽宽度 |
法兰厚度 |
连接部分凸出高度 |
螺栓孔数量与直径 |
螺栓直径 |
|
DN |
D |
D1 |
D2 |
D3 |
L |
F |
E |
t |
f |
n-d |
M |
|
20 |
117 |
82.5 |
63.5 |
19 |
42.862 |
8.731 |
6.4 |
22.3 |
6.4 |
4-19 |
16 |
|
25 |
124 |
89.0 |
69.8 |
25 |
50.800 |
8.731 |
6.4 |
23.9 |
6.4 |
4-19 |
16 |
|
40 |
156 |
114.5 |
90.5 |
38 |
68.262 |
8.731 |
6.4 |
28.7 |
6.4 |
4-22 |
20 |
|
50 |
165 |
127.0 |
108.0 |
51 |
82.550 |
11.906 |
8.0 |
31.8 |
8.0 |
8-19 |
16 |
|
65 |
190 |
149.0 |
127.0 |
64 |
101.600 |
11.906 |
8.0 |
35.0 |
8.0 |
8-22 |
20 |
|
80 |
210 |
168.0 |
146.0 |
76 |
123.825 |
11.906 |
8.0 |
38.2 |
8.0 |
8-22 |
20 |
|
100 |
270 |
216.0 |
174.6 |
102 |
149.225 |
11.906 |
8.0 |
44.5 |
8.0 |
8-25 |
22 |
|
125 |
330 |
266.5 |
209.6 |
125 |
180.975 |
11.906 |
8.0 |
50.9 |
8.0 |
8-29 |
27 |
|
150 |
356 |
292 |
241.3 |
152 |
211.138 |
11.906 |
8.0 |
54.1 |
8.0 |
12-29 |
27 |
|
200 |
419 |
349 |
301.6 |
200 |
269.875 |
11.906 |
8.0 |
62.0 |
8.0 |
12-32 |
30 |
|
250 |
508 |
432 |
355.6 |
247.5 |
323.850 |
11.906 |
8.0 |
69.9 |
8.0 |
16-35 |
33 |
|
300 |
559 |
489 |
412.8 |
298.5 |
381.000 |
11.906 |
8.0 |
73.1 |
8.0 |
20-35 |
33 |
声明:【日标法兰】规格型号、结构尺寸由华体会官方版网站登录入口,华体会(中国)提供,如何选择适用的日标法兰产品,使之在工艺控制中安全可靠、经济适用,可致电我司销售部门及技术部门,我们将在最短的时间内为您解答! |